Pumpe für Heizungsanlagen in Wohnhäusern oder Industrieanlagen mit thermischem Schutz und einem maximalen Betriebsdruck von 10 bar
Economisiți 2% cu transfer bancar.
RETUR 365 ZILE
Clientul plătește costurile de transport Vezi detalii
PLĂȚI SIGURE
Vezi detalii
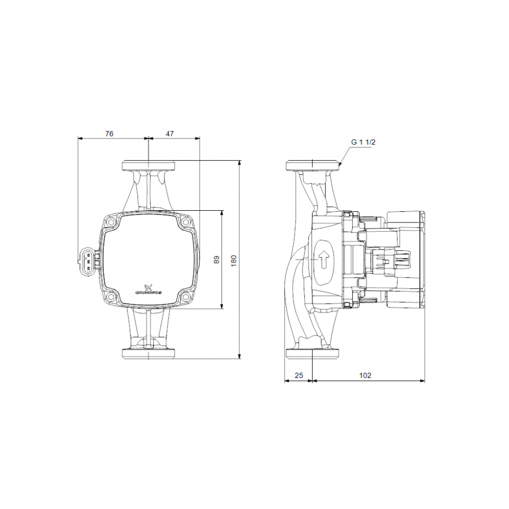
Die Umwälzpumpe Grundfos ALPHA1 25-40 180 ist eine hocheffiziente Lösung für Heizsysteme in Wohn- und Gewerbegebäuden. Das Modell zeichnet sich durch eine Nennförderhöhe von 1,89 m und eine maximale Förderhöhe von 4 m (40 dm) sowie eine Nennfördermenge von 1,65 m³/h aus und ist damit ideal für Standardheizungsanlagen mit Heizkörpern, Fußbodenheizung und Mischsystemen geeignet.
Die Pumpe ist mit einem elektronisch kommutierten Motor (ECM) ausgestattet, der einen geringen Energieverbrauch und eine lange Lebensdauer gewährleistet. Ihre Energieeffizienzklasse ist EEI ≤ 0,20 – ein Indikator für außergewöhnlich hohe Effizienz und Wirtschaftlichkeit.
Der ALPHA1 25-40 180 ist mit einer intelligenten Steuerung ausgestattet und bietet drei Hauptbetriebsarten: Konstantdruck, Proportionaldruck und Festkurve. Jede dieser Betriebsarten bietet drei individuelle Geschwindigkeitseinstellungen zur präzisen Anpassung an den jeweiligen Installationstyp.
Die Installation wird durch den werkzeuglosen Schnellverbinder vereinfacht , der einen einfachen elektrischen Anschluss gewährleistet. Trockenlaufschutz und die automatische Entlüftungsfunktion garantieren einen leisen und zuverlässigen Betrieb und schützen das System vor Beschädigungen.
Das Modell zeichnet sich durch einen stabilen Anlauf aus, wodurch das Risiko von Verstopfungen durch Verunreinigungen, Magnetit oder Kalkablagerungen verringert wird. Im Störungsfall stellt der Motor automatisch das maximale Drehmoment sicher, um den Betrieb wiederherzustellen.
Das Pumpengehäuse besteht aus hochwertigem Gusseisen EN 1561 EN-GJL-150, das Laufrad aus PES-Verbundwerkstoff mit 30 % Glasfaseranteil. Die Keramikwelle und -lager gewährleisten minimalen Verschleiß und eine lange Lebensdauer bei gleichzeitiger Geräusch- und Vibrationsdämpfung.
Auf der Vorderseite befinden sich Diagnosesymbole, die eine schnelle und einfache Erkennung von Fehlern und Störungen ermöglichen.

Technische Parameter:
| Caracteristici | |
| Înălțime de refulare a pompei (m) | 4 |
| Debit | 1.65 m3/h |
| Type | File Information |
| Manual de utilizare_Grundfos_Alpha2.pdf File size 2.61MB |